Single-Axis Solar Tracker
Group project to design a single-axis solar tracker using an Arduino UNO and photoresistors to align a solar oven with the sun.

Overview
Collaborated with a team of six to design and construct a single-axis solar tracking system that automatically adjusts a solar panel's orientation to follow the sun. The goal was to increase solar energy efficiency by maintaining optimal alignment throughout the day using a low-cost, Arduino-based control system.
Design Process
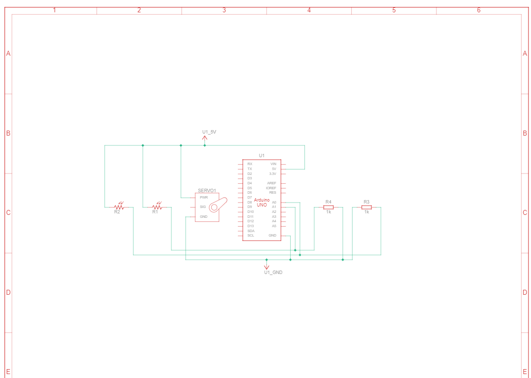
The team 3D-modeled a base structure with two arms supporting the solar panel mounted on a servo motor. Two photoresistors were placed on either side of the panel to measure light intensity differences, generating voltage signals that the Arduino Uno processed to determine the panel's optimal position. I contributed to circuit design, wiring, and coding the Arduino. Components were assembled using a breadboard and powered with a USB. Total material cost was kept to $61.71, demonstrating cost efficiency and accessibility.
Results
The prototype successfully demonstrated directional movement and concept for automated solar tracking. While calibration issues prevented full optimization of the photoresistors, the system's functionality and mechanical design validated the concept. With more development time, improved sensor calibration would've helped us enhance precision and efficiency. This project strengthened my practical skills in Arduino programming, sensor integration, and mechatronic system design.
Gallery





